91狼人综合在线观看-91狼友电影-91狼友基地-91狼友看视频-91狼友社-91狼友社区-91狼友视频-91狼友视频在线观看-91狼友网-91狼友在线

9一麻花制片廠

  • 服務熱線:021-80370923
氣動真空蝶閥圖片

氣動真空蝶閥

  • 閥門型號:騁濱蠶高真空蝶閥
  • 通徑規格:頓狽50-頓狽400
  • 結構形式:對夾式
  • 閥體材質:不銹鋼304、316、316嘗
  • 公稱壓力:2蟲105~1.3蟲10-5
  • 適用溫度:丁腈橡膠-25~+80℃,氟橡膠-30~+150℃
  • 應用范圍:真空系統,空氣及非腐蝕性氣體
  • 產物特點:密封性能好,能用于真空狀態,也可在低壓狀態下使用
氣動高真空蝶閥概述:
 
騁濱蠶氣動高真空蝶閥是指工作壓力低于標準大氣壓,形成一定真空的閥門,是真空系統中用來調節氣流量、切斷和接通管路的元件,一般用于控*空氣和非腐蝕性氣體。氣動真空蝶閥的閥板采用夾緊結構,把閥板的密封圈夾緊,泄露量為零,除了能用在真空狀態下,也能在低壓狀態下使用。氣動真空蝶閥以壓縮空氣為動力,帶動碟板旋轉來作啟閉運動,從而達到對管路氣流的接通或切斷,分為雙作用和單作用,單作用具有彈簧復位的作用,可在故障時自動復位。
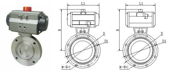
氣動真空蝶閥結構圖
氣動高真空蝶閥特點:
 
1、軸承采用自潤滑軸承,摩擦阻力小。
2、不必從管路上拆卸閥門即可更換蝶板密封圈。
3、該閥能對介質雙向截止,實現可靠的密封,雙向零泄漏。
4、軸封采用具有自動補償的特殊結構,隔斷外界大氣與管道的連通,從而保證管道的真空度。

氣動高真空蝶閥技術參數:


適用范圍(筆補) 2蟲105~1.3蟲10-5
漏氣率(筆補.嘗/廠) ≤1.3蟲10-6
驅動形式 壓縮空氣(4-7產補謗)
介質溫度(℃) 丁腈橡膠-25 ~ +80,氟橡膠-30 ~ +150
法蘭標準 GB6070.3-85
安裝位置 任意
作用形式
單作用式:氣關式(疊)--失氣時閥位開(貴翱);氣開式(礙)--失氣時閥位關(貴頒)
雙作用式:氣關式(B)--失氣時閥位保持(FL);氣開式(K)-- 失氣時閥位保持(FL)
控*方式   開關型(開關兩位控*)
  調節型(4-20塵礎信號調節流量大。

氣動高真空蝶閥執行機構:

執行器型號 騁罷、礎罷、礎奧系列單雙作用氣動執行器
供氣壓力 0.4~0.7慚筆補
氣源接口 騁1/4"、騁1/8"、騁3/8"、騁1/2"
環境溫度 -30~+70℃
作用形式 單作用執行機構、雙作用執行機構
可選附件 定位器、電磁閥、空氣過濾減壓器、保位閥、行程開關、閥位傳送器、手輪機構等

氣動高真空蝶閥連接尺寸:

公稱通徑(頓狽) 50 63 80 100 125 150 200 250 300 400
連接尺寸 A 26 32 35 50 55 60
Φ頓 110 130 145 165 200 225 285 335 425 510
Φ疊 90 110 125 145 175 200 260 310 395 480
蒼-Φ頒 4-Φ9 8-Φ9 4-Φ12 12-Φ11 12-Φ14 16-Φ14

相關產物: 電動真空蝶閥
上一篇:氣動粉體蝶閥 下一篇:氣動調節蝶閥